logo
Enviar mensagem
Bom preço.  on-line

Detalhes dos produtos

Para casa > produtos >
Certificação
>
Atualização da Diretiva UE 2022/2380 relativa aos carregadores universais para categorias de dispositivos sem fio

Atualização da Diretiva UE 2022/2380 relativa aos carregadores universais para categorias de dispositivos sem fio

Informações detalhadas
Destacar:

EU 2022/2380 para carregador universal

,

dispositivo sem fios EU 2022/2380

Descrição do produto

Principais conteúdos da Diretiva UE 2022/2380 relativa aos carregadores universais

Em 7 de dezembro de 2022, a UE publicou oficialmente a Diretiva (UE) 2022/2380 revisada sobre carregadores universais no Jornal Oficial da União Europeia (JO) para complementar os requisitos específicos de implementação de 3.3 (a) da Diretiva RED 2014/53/UE para interfaces universais de carga.

A directiva revista abrange 13 categorias de dispositivos sem fios, incluindo smartphones, tablets, câmaras digitais, auscultadores sem fios, consolas de jogos portáteis, alto-falantes portáteis, e-books, teclados,ratos, navegação portátil e portáteis, e as categorias de produtos poderão ser actualizadas no futuro.

A nova diretiva será aplicada em todos os Estados-Membros da UE a partir de 28 de dezembro de 2024.Os novos dispositivos que entram no mercado da UE após a data obrigatória deverão cumprir os requisitos da directiva..

Principais elementos da nova directiva

O artigo 3.°, n.° 3, alínea a), da directiva original foi revisto e o artigo 3.°, n.° 4, foi acrescentado para completar os requisitos específicos de aplicação das interfaces universais de carga.

As responsabilidades e obrigações dos operadores económicos, tais como fabricantes, importadores e distribuidores, foram actualizadas.

Desde que as 13 categorias de produtos acima mencionadas possam ser carregadas através de cabos, é exigido que estejam equipadas com uma interface de carregamento USB Tipo-C® conforme à norma EN IEC 62680-1-3:Padrão 2021 e pode ser carregado usando cabos de carregamento que cumprem a mesma normaOs dispositivos que suportam carregamento rápido devem cumprir o protocolo USB PD (Power Delivery) da norma EN IEC 62680-1-2:2021.

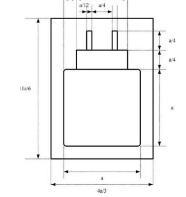
Quando os produtos sem fios são vendidos e colocados em circulação no mercado da UE, eles podem escolher se devem ser equipados com um carregador e as instruções,A embalagem exterior ou os rótulos devem reflectir claramente o tipo e a configuração do carregador.A figura seguinte é um diagrama esquemático do rótulo (a dimensionar em proporção), onde a deve ser não inferior a 7 mm.

5As especificações de carregamento devem figurar no rótulo.

XX é o número correspondente à potência mínima necessária para carregar o dispositivo sem fio, que determina a potência mínima necessária para o carregador carregar o dispositivo sem fio.

YY é o número da potência máxima necessária para que o dispositivo sem fios alcance a velocidade máxima de carregamento,que determina a potência mínima que o carregador deve fornecer para atingir a velocidade máxima de carregamento.

Quando o carregador suportar o USB PD (voltagem de carregamento superior a 5V, corrente superior a 3A ou potência superior a 15W), deve ser exibida a abreviação "USB PD"

Detalhes dos produtos

Para casa > produtos >
Certificação
>
Atualização da Diretiva UE 2022/2380 relativa aos carregadores universais para categorias de dispositivos sem fio

Atualização da Diretiva UE 2022/2380 relativa aos carregadores universais para categorias de dispositivos sem fio

Informações detalhadas
Destacar:

EU 2022/2380 para carregador universal

,

dispositivo sem fios EU 2022/2380

Descrição do produto

Principais conteúdos da Diretiva UE 2022/2380 relativa aos carregadores universais

Em 7 de dezembro de 2022, a UE publicou oficialmente a Diretiva (UE) 2022/2380 revisada sobre carregadores universais no Jornal Oficial da União Europeia (JO) para complementar os requisitos específicos de implementação de 3.3 (a) da Diretiva RED 2014/53/UE para interfaces universais de carga.

A directiva revista abrange 13 categorias de dispositivos sem fios, incluindo smartphones, tablets, câmaras digitais, auscultadores sem fios, consolas de jogos portáteis, alto-falantes portáteis, e-books, teclados,ratos, navegação portátil e portáteis, e as categorias de produtos poderão ser actualizadas no futuro.

A nova diretiva será aplicada em todos os Estados-Membros da UE a partir de 28 de dezembro de 2024.Os novos dispositivos que entram no mercado da UE após a data obrigatória deverão cumprir os requisitos da directiva..

Principais elementos da nova directiva

O artigo 3.°, n.° 3, alínea a), da directiva original foi revisto e o artigo 3.°, n.° 4, foi acrescentado para completar os requisitos específicos de aplicação das interfaces universais de carga.

As responsabilidades e obrigações dos operadores económicos, tais como fabricantes, importadores e distribuidores, foram actualizadas.

Desde que as 13 categorias de produtos acima mencionadas possam ser carregadas através de cabos, é exigido que estejam equipadas com uma interface de carregamento USB Tipo-C® conforme à norma EN IEC 62680-1-3:Padrão 2021 e pode ser carregado usando cabos de carregamento que cumprem a mesma normaOs dispositivos que suportam carregamento rápido devem cumprir o protocolo USB PD (Power Delivery) da norma EN IEC 62680-1-2:2021.

Quando os produtos sem fios são vendidos e colocados em circulação no mercado da UE, eles podem escolher se devem ser equipados com um carregador e as instruções,A embalagem exterior ou os rótulos devem reflectir claramente o tipo e a configuração do carregador.A figura seguinte é um diagrama esquemático do rótulo (a dimensionar em proporção), onde a deve ser não inferior a 7 mm.

5As especificações de carregamento devem figurar no rótulo.

XX é o número correspondente à potência mínima necessária para carregar o dispositivo sem fio, que determina a potência mínima necessária para o carregador carregar o dispositivo sem fio.

YY é o número da potência máxima necessária para que o dispositivo sem fios alcance a velocidade máxima de carregamento,que determina a potência mínima que o carregador deve fornecer para atingir a velocidade máxima de carregamento.

Quando o carregador suportar o USB PD (voltagem de carregamento superior a 5V, corrente superior a 3A ou potência superior a 15W), deve ser exibida a abreviação "USB PD"